型号含义

适用范围
◎ 适用于爆炸性气体环境1区、2区
◎ 适用于IA、ⅡB、ⅡC级爆炸性气体环境:
◎ 适用于温度级别为T1~T4的环境
◎ 广泛用于石油开采、炼油、化工、烟草、军工等爆炸性环境场所。
产品结构性能
◎外壳采用铝合金铸造成型,表面抛丸处理后高压静电喷塑;
◎LED光源采用高亮度、寿命长国际知名品牌芯片;反光杯经过特殊配光设计,表面采用高科技表面处理工艺,反光效率高;
◎采用高能电池,容量高、寿命长,自放电率低;
◎灯具具有小于0.25s应急切换时间,超快的应急响应速度为用户提供强有力的安全保障;
◎灯具各结合面间均设置了良好的密封结构,密封圈均采用硅橡胶材料,耐高温、抗老化,外壳防护等级达到IP65,产品可用于比较复杂的环境;
◎安装方式:壁挂式。
正常工作条件
◎安装地点的海拔不超过2000m;
◎周围环境温为-40℃~+40℃,且24h内的平均温度值不超过+35℃;
◎周围空气相对湿度不大于95%(+25℃)
◎在无剧烈振动、冲击及摇动的地方
◎适用于1区、2区、IA、IB、IC类及T1~T6组爆炸性气体环境或可燃性粉尘场所。
配光曲线

主要技术参数

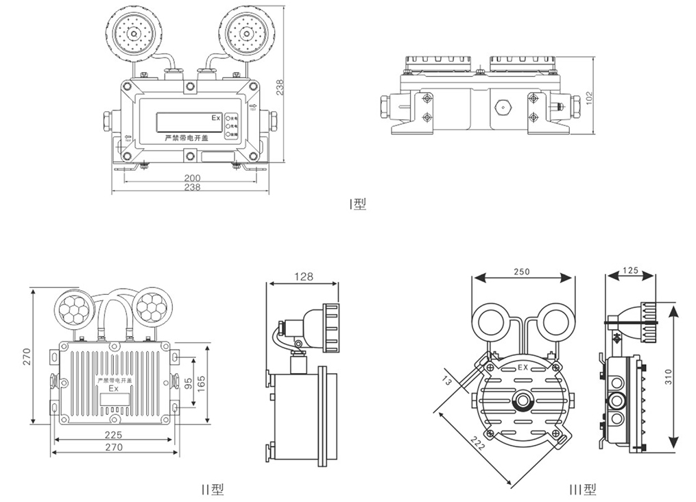
外形及安装尺寸
